not just welding
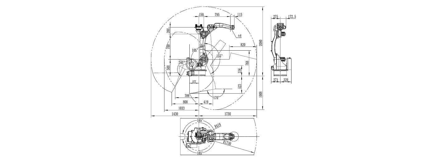
The arm span is nearly 1.8 meters. The design is highly compact and can be flexibly installed on the ground or upside down.
With large working space, fast running speed and high repeated positioning accuracy, itis suitable for wide range of welding applications.
The safety emergency stop board independent ofthe control system is equipped with.and the safety relay circuit is adopted to provide double-circuit emergency stop toensure the reliability of emergency stop.
The robot body adopts highly flexible special cable.
Built-in three-phase transformer makes 380V and 220V isolated to help the power supply more stable.
Built-in three-phase filter can effectively improve the performance of EMC and EMl.
The robot bodyis with dual-circuit gas pipe to meet the welding demand.
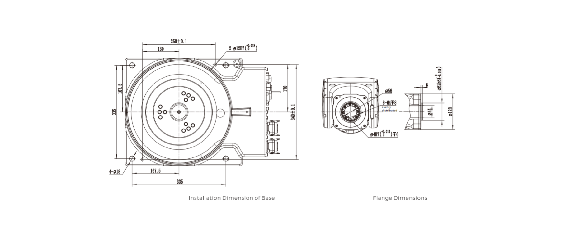
Theinner diameter of 6-axis middle hole is 44mm, it can meet the installation requirements of water-cooling torch and bellows torch.
Highly flexible welding cable is built-in.


