Product
Arm Span
  • no limit
  • Within 1.5 meters
  • Within 2 meters
  • Within 2.5 meters
  • Within 3 meters
  • Within 4 meters
Load
  • no limit
  • Within 10kg
  • Within 30kg
  • Within 50kg
  • Within 100kg
  • Within 200kg
  • Within 400kg
Selection tool
Hey, hello
What can I do to help?

Leave us a message

Please leave a message

CRP-RA07A-08
Describe
FUNCTIONAL FEATURES
  • Adopt modular design to effectively reduce the failure rate of the whole machine.

  • Well-knit design makes the robot more convenient in small space.

  • The arm span is 712mm. It has strong payload capacity, and rated payload 8kg. It is easily applied in multi application.

  • Lighter structure design than other same level product, so it is easy to install inside a system or to mount upside-down.

  • High rigidity arm and top level servo control technology guarantee the smoothness and stability while the movement.

  • Built-in cable and external cable fixing base to meet customization requirements.

  • Adopt leak-proof structure.

  • High expansibility, multiple user bracket installation platforms are set on the robot body, which is convenient for users to fix cables and related auxiliary tools.

ROBOT BODY TECHNICAL PARAMETERS

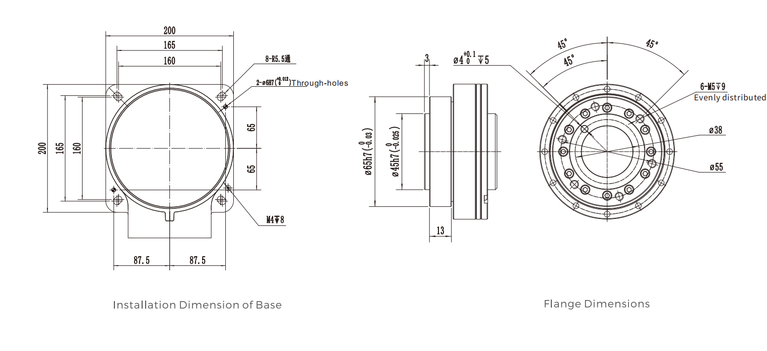
INSTALLATION INTERFACE DIAGRAM

MOTION RANGE DIAGRAM