Product
Arm Span
  • no limit
  • Within 1.5 meters
  • Within 2 meters
  • Within 2.5 meters
  • Within 3 meters
  • Within 4 meters
Load
  • no limit
  • Within 10kg
  • Within 30kg
  • Within 50kg
  • Within 100kg
  • Within 200kg
  • Within 400kg
Selection tool
Hey, hello
What can I do to help?

Leave us a message

Please leave a message

CRP-RA09A-07(T3)
Describe
CRP-RA09A-07 (T3) is mainly customized for the production and application of PCB board industry. It is applied in the loading and unloading process of PCB board industry. In order to adapt to the PCB industry, CRP robot with light weight, simple application, high speed and lower cost is launched to meet the needs of customers for robots.
FUNCTIONAL FEATURES
  • Axis 2 adopts directly connected structure to effectively improve accuracy;

  • Motor and reducer adopt spline connection to be more stable;

  • Adopt customized structure to effectively avoid interference and meet the need of application in narrow space;

  • Compact structure and small volume;

  • Light weight and fast speed.


ROBOT BODY TECHNICAL PARAMETERS

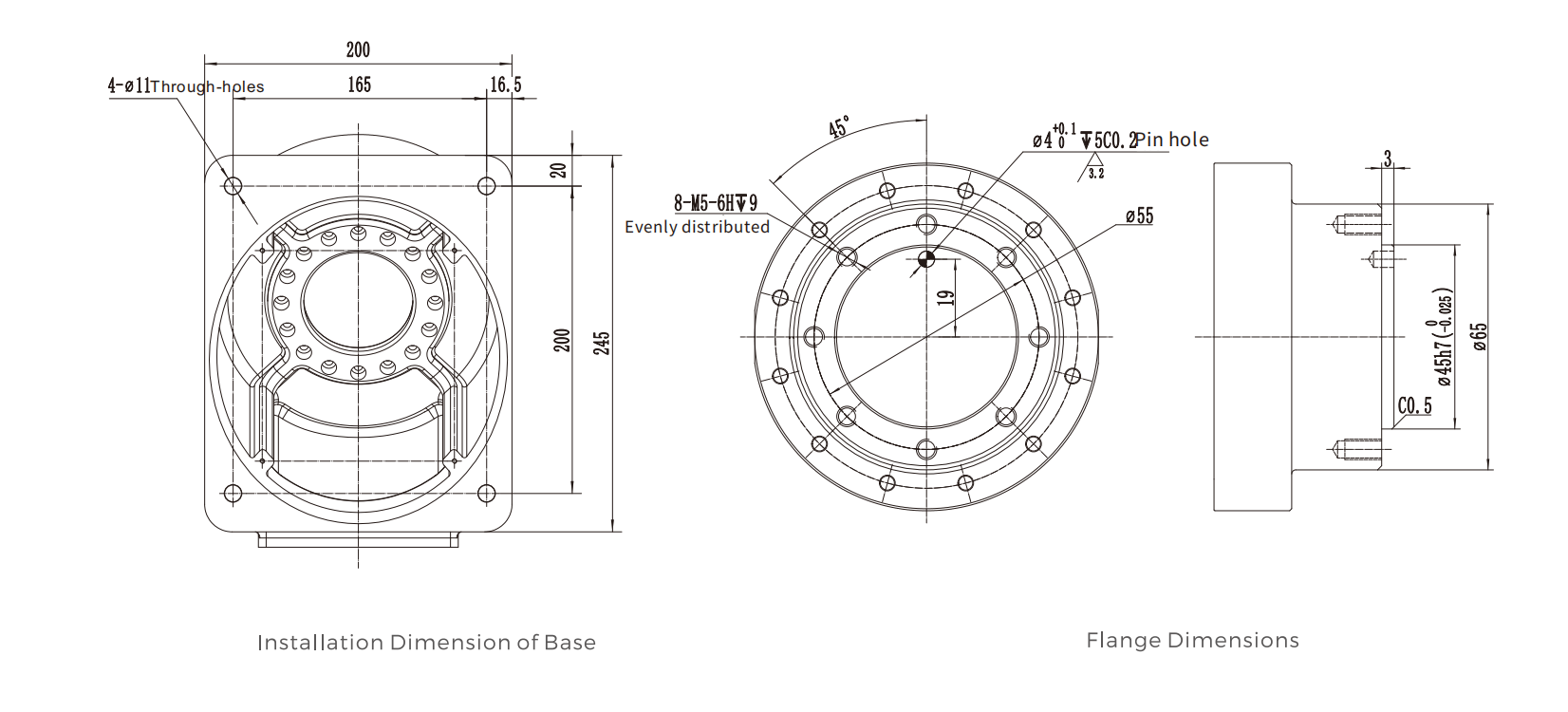
INSTALLATION INTERFACE DIAGRAM

MOTION RANGE DIAGRAM