产品选型
选择臂展
  • 不限
  • 1.5米以内
  • 2米以内
  • 2.5米以内
  • 3米以内
  • 4米以内
选择负载
  • 不限
  • 10kg以内
  • 30kg以内
  • 50kg以内
  • 100kg以内
  • 200kg以内
  • 400kg以内
选型工具
嘿,您好
我能帮上什么忙?

给xpj官网电竞留言

请留言

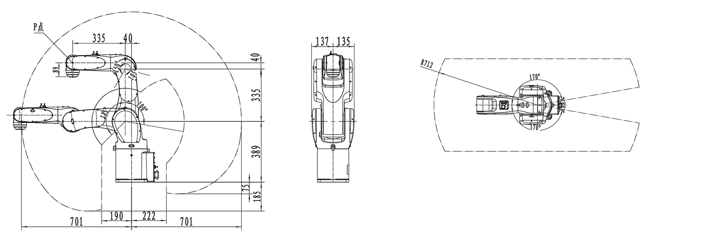
CRP-RA07A-08
描述
小六轴搬运机器人
功能特点
  • 采用模块化设计,有效降低整机的故障率。

  • 极精设计,方便在狭小的空间使用。

  • 臂长712mm,手腕负载容量大,额定负载8kg,可轻松应对多种应用场合。

  • 较同级别机器人更轻的结构设计,容易安装在应用方案内部或者倒挂安装。

  • 采用高刚性手臂和尖端伺服控制技术,实现高速稳定且平滑的动作性能。

  • 采用本体线缆内置技术,同时为客户提供外置走线固定座,以满足客户定制化需求。

  • 采用全体机密封结构,提升防护等级。

  • 高扩展性,在机器人本体上设置有用户安装平台,便于用户安装固定线缆及相关辅助工装治具。



本体技术指标

安装接口图

工作范围图